
L’an dernier, dans le cadre du dispositif CEE “Coup de Pouce” du gouvernement, j’ai bénéficié de l’installation de thermostats connectés Tiko D-Box entièrement gratuite.
L’objectif est double : faire des économies d’énergie en optimisant la consommation de chauffage pièce par pièce et délester le réseau en cas de pic de consommation en coupant temporairement le chauffage, tout cela de façon transparente.
Comme vous le savez, je suis toujours chaud pour tester de nouveaux gadgets, surtout quand c’est gratuit !
Avant l’installation de Tiko, mon chauffage était contrôlé par un système Flash Piloteco constitué d’un module gestionnaire situé dans le tableau électrique et d’un boîtier de commande au mur. Ce système repose sur les fils pilote des radiateurs pour planifier le mode de chauffage et d’activer le délestage grâce à un signal envoyé par le compteur Linky. Quand à la température, elle se réglait sur chaque radiateur.


Hormis la planification un peu hasardeuse à programmer, c’était terriblement simple à utiliser puisqu’il suffisait d’appuyer sur un bouton du boitier Piloteco pour changer le mode de chauffage d’une zone ou de changer la température directement sur le radiateur.
Le système Tiko n’apporte finalement qu’une seule fonctionnalité supplémentaire, à savoir permettre de régler et piloter le chauffage depuis une application mobile, à distance et sans même avoir besoin d’être à la maison, en plus de fournir des informations détaillées sur la consommation.
L’inconvénient, c’est qu’il faut désormais installer une application mobile sur un smartphone et partager ses identifiants de connexion à quiconque souhaite pouvoir régler le chauffage. De plus, même si les boîtiers D-Box disposent de leur propre connexion 4G, on reste tributaire d’un serveur connecté à Internet.
J’ai donc eu l’idée de ressortir mon vieux smartphone, un iPhone 5S qui dormait dans un tiroir, pour le réinitialiser, y installer l’application Tiko et le fixer au mur à la place du boîtier Piloteco. Ainsi, n’importe qui pourrait régler le chauffage à sa guise sans avoir besoin d’installer quoi que ce soit ni de partager mes identifiants.
Malheureusement, la dernière version d’iOS compatible avec l’iPhone 5S est la 12.5.7 or l’application Tiko requiert iOS 14 au minimum.
J’ai donc décidé de développer ma propre application, avec une interface simplifiée, optimisée pour l’iPhone 5S et qui regrouperait toutes les commandes ainsi que les informations principales sur un seul écran.
Je me suis donc tourné vers la technologie Next.js / React puisque c’est celle que j’utilise au quotidien et l’I.A. Claude Code pour m’assister dans le développement, surtout pour générer la partie interface et régler les bugs de compatibilité avec iOS 12.5.7 car ce n’est pas le plus fun à faire.
Quant à l’API Tiko, faute d’avoir pu trouver une documentation officielle, j’ai fait de l’ingénierie inversée sur la version web de l’application en inspectant les requêtes GraphQL avec mon navigateur.
Sur un seul et même écran, il est désormais possible pour chaque pièce de visualiser et ajuster la température, l’humidité et définir le mode du chauffage.
Le mode sombre a été choisi car la colle de l’écran de l’iPhone a un peu jaunit avec le temps et ce défaut n’est pas visible en mode sombre.
Pour que l’interface fonctionne en plein écran et qu’elle reste ouverte au déverrouillage de l’iPhone, je l’ai simplement ajoutée à l’écran d’accueil d’iOS à partir de Safari.
L’application ne requérant pas beaucoup de ressources pour fonctionner, je l’ai installée sur mon NAS Synology. Un Raspberry Pi aurait aussi très bien pu faire l’affaire.

Pour fixer l’iPhone au mur, rien de plus simple : j’ai récupéré mon ancienne coque que j’ai collée à la néoprène sur un cache pour boîtier d’encastrement qu’il suffit d’installer à la place du boîtier Piloteco. Même pas besoin de vis !


Le problème reste maintenant d’alimenter l’iPhone en continu pour éviter qu’il ne se décharge.
J’ai découpé un vieux chargeur USB avec l’espoir de le faire rentrer dans le boîtier d’encastrement mais il s’est avéré trop volumineux.
J’ai donc décidé de l’installer directement dans le tableau électrique, en le branchant au disjoncteur divisionnaire du gestionnaire Piloteco. Ce dernier n’étant plus relié à son boîtier de commande mural, j’ai tout simplement réutilisé ses 2 fils du boîtier pour y acheminer le 5 V jusqu’à l’iPhone.
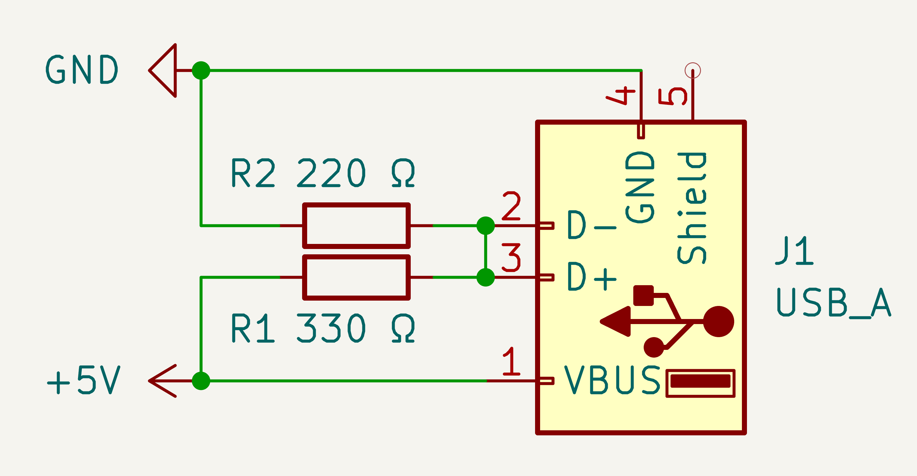
À l’autre bout du fil, pour que l’iPhone se mette en charge, il ne suffit pas de lui fournir du 5 V via le port USB. Il faut également injecter une tension de +2.0 V dans les pins data D+ et D-.
Il est très facile de faire un réducteur de tension de 5 V en 2 V avec 2 résistances : la valeur de la résistance entre GND et D+/D- doit être égale à 2/3 la valeur de celle entre +5V et D+/D- (par exemple 220 ohms et 330 ohms). Comme je n’avais que des 220 ohms en stock, j’ai fait un montage de 220 et 2 × 220 en série ce qui donne une tension de 1.67 V mais qui s’avère au final être suffisant pour mettre l’iPhone en mode charge.


Voilà comment réaliser une interface pour chauffage connecté, tactile, moderne et simple à utiliser, en utilisant exclusivement des pièces de récupération.

Si vous souhaitez vous aussi faire cette installation, le code de l’application est sur GitHub : https://github.com/LenweSaralonde/TikoControlPanel
L’application est optimisée pour un usage en plein écran sur un iPhone 5S/SE et un logement de 6 pièces donc vous aurez peut-être besoin de l’adapter selon vos besoins.
N’hésitez pas à me faire part de vos retours !





